Privatsphären-Einstellungen
Neben den essentiellen (technisch notwendigen Cookies) verwenden wir auf unserer
Webseite auch Cookies bzw. andere Technologien für Marketing- und funktionale Zwecke mit
dem Ziel, unsere Dienste bestmöglich anbieten, stetig verbessern und Werbeinhalte
entsprechend der Interessen der Nutzer anzeigen zu können. Ich bin mit dem Einsatz der
Cookies aus den zuvor genannten Kategorien einverstanden und kann meine Einwilligung
jederzeit mit Wirkung für die Zukunft widerrufen oder ändern.

 
Technik
Sie sind hier: | |
Puffer
 Fragen zum Produkt ?

Puffer Ausführung 100 - Typ A

Megi-Puffer sind einfache und preiswerte Standard-Elemente für elastische Lagerungen. 
Sie werden im Allgemeinen Maschinenbau, Leichtmaschinenbau, Druckereimaschinenbau,
Pumpenbau, in der Elektroindustrie und in vielen anderen Gebieten erfolgreich eingesetzt.
Die verschiedenen Bauformen (Gewindebolzen, Schweißmutter) ermöglichen für fast jeden 
Einbaufall eine günstige Montagemöglichkeit.

Besondere Eigenschaften
- Einfache, preiswerte Standardelemente
- Einfache Befestigung

Einsatzbeispiele
- Lagerung von leichten bis mittelschweren Aggregaten, E- und Verbrennungsmotoren, 
  Kompressoren, Pumpen, Rüttel- und Vibrationsmaschinen

Mögliche Belastungsarten/-richtungen
- Druck

Statische Belastungsgrenzen
- Druck: 30 kN

Hinweise
- Festigkeitsklasse der Verschraubung: 5.
- Andere Festigkeitsklasse auf Anfrage.
- Keine Zugbeanspruchung des Elastomers zulässig.
 
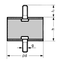
Artikelnr.AusführungØd
mm
h
mm
l1
mm
GewindeHärteForm-Nr.  
2501001518.8,5.100188,511M6mittel781 040 S1 
2501001618.8,5.100188,516M6mittel781 040 
2501001830.15.100301521M8mittel781 070 
2501002350.20.100502018,5M10mittel781 090 S1 
2501003950.20.100502018,5M10hart781 090 S1 
2501002450.24.100502426,5M10mittel781 090 
2501002550.40.100504026,5M10mittel781 092 
2501002775.25.100752539M12mittel781 100 
2501002875.55.100755539M12mittel781 102 
25010029100.60.1001006044M16mittel781 111 

Zurück

ISO ZertifikatReinshagen Technik GmbH & Co. KG

Kilianstraße 150
90425 Nürnberg

Tel. 0911 36107-0
Fax 0911 36107-20
info@reinshagen.de
Mo bis Do:7:30 - 16:30 Uhr
Fr:7:30 - 14:15 Uhr
AGB
Kontakt
Impressum
Datenschutz
ISO Zertifikat
Reinshagen Technik GmbH & Co. KG

Kilianstraße 150
90425 Nürnberg


Tel. 0911 36107-0
Fax 0911 36107-20
info@reinshagen.de

Mo bis Do:7:30 - 16:30 Uhr
Fr:7:30 - 14:15 Uhr

AGB
Kontakt
Impressum
Datenschutz

ISO Zertifikat

ISO Zertifikat